
This product contains the following details|
Product Name |
Input Method |
Type |
Range |
| 96 |
□ |
□ |
□ |
|
C: DC L: AC T: AC (Electromagnetic) |
A: Ammeter |
*: *A(V、Hz、W、var、COSφ) Refer to Range Parameter Table for details |
|
|
V: Voltmeter |
|||
|
W: Active Power Meter |
|||
|
VAR: Reactive Power Meter |
|||
|
HZ: Frequency Meter |
|||
|
COS: Power Factor Meter |
| Input Method | Type |
| DC | Ammeter, Voltmeter |
| AC (Electromagnetic) | Ammeter, Voltmeter |
| AC | Active Power Meter, Reactive Power Meter, Frequency Meter, Power Factor Meter |
Range Parameter Table (Refer to Mounted Analogue Panel Meter Tables for details)
| Product Name | Model | Range | Accuracy Class |
| DC Ammeter | 96C-A | Connect Directly with 50μA~500μA | Class 1.5 |
| Connect Directly with 1mA~500mA | |||
| Connect Directly with 1A~20A | |||
| Connect with 5A-10KA via External Current Shunt | |||
| DC Voltmeter | 96C-V | Connect Directly with3V~600V | |
| Connect with 750V-1.5KV via External Resistance | |||
| AC Ammeter | 96T-A | Connect Directly with 1A~5A | |
| Connect Directly with 10A~100A | Class 2.5 | ||
| Connect with 5A/5A-10KA/5A via 5A Secondary Current CT | Class 1.5 | ||
| AC Voltmeter |
96T-V 96L-V |
Connect Directly with 30V~600V | |
| Connect with 380V/100V-380kA/100V via 100V Secondary Voltage VT | |||
| Prequency Meter | 96L-Hz | 45Hz~55Hz 55Hz~65Hz 45Hz~65Hz | Class 1.0 |
| 100V 220V 380V | Class 2.5 | ||
| Active power Meter | 96L-W | Connect Directly with 100V 220V 380V | |
| Connect with 380V/100V-380kA/100V via 100V Secondary Voltage VT | |||
| Reactive power Meter | 96L-var | Connect Directly with 5A Current | |
| Connect with 5A/5A-10KA/5A via 5A Secondary Current CT | |||
| Three-Phase Power Facter Meter | 96L-COSφ | 0.5(Leading)~1~0.5(Lagging) | |
| 100V/5A 220V/5A 380V/5A |
■Display measured variation trend, easy to read
■Plug-in Dial
■Clamp-on Mounted
Major Technical Parameters
| Withstand Voltage Test | 50Hz Frequency, 2000V Voltage, 1min Duration |
| Response Time | ≤4s |
| Pointer Deflection Angle | 90° |
Working Environment and Conditions
| Temperature | Allowable Ambient Temperature: : 0℃~+40℃ |
| Humidity | (25%-80%)RH |
| Working Environment |
No mildew, insect, salt mist, condensation; little dust & sand are allowable. Mechanical Force Withstand Capability: Normal Vertical Dial |
Outline & Installation Dimensions(mm)
■96C-A, V, 96T-A, V & 96L-V Hz Outline & Installation Dimensions

■96L-W, var Outline & Installation Dimensions

■96L-COSφ Outline & Installation Dimensions

Wiring diagram
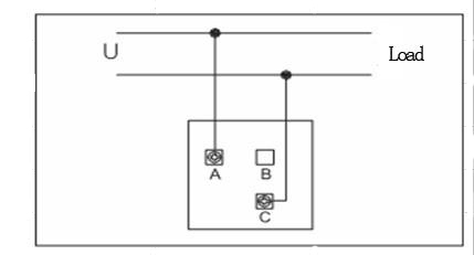
96C-A, V DC Ammeter & Voltmeter Wiring Diagram
96T-A, V, 96L-V AC Ammeter & Voltmeter Wiring Diagram
96L-Hz Frequency Meter Wiring Diagram
96L-W, var Power Meter Wiring Diagram

Note: The terminal marked with * is a current input terminal.
96L-COSφ Power Factor Meter Wiring Diagram
Note: The terminal marked with * is a current input terminal.
Working Environment and Conditions
|
Temperature |
Allowable Ambient Temperature: : 0℃~+40℃ |
|
Humidity |
(25%-80%)RH |
|
Humidity |
No mildew, insect, salt mist, condensation; little dust & sand are allowable. |
|
Mechanical Force Withstand Capability: Normal |
|
|
Vertical Dial |

CHINESE


Print this page
Fav this page
E-mail us: yqyb@delixi.com